RI Title
RI logo

Purpose: To describe the RIK0056B (4TC) a fixturing option and to provide information on its performance.



The RIK0056B includes one DUAL SP4T wide band (5MHz to 12GHz) RF module. It is intended to be used with all series of RI fixture carriers. It is especially easy to use since DC wiring is not required when used in conjunction with the smart carrier. It also helps to reduce fixture complexity where a high level of RF switching is required.

RIK0056B SP4T RF Switch

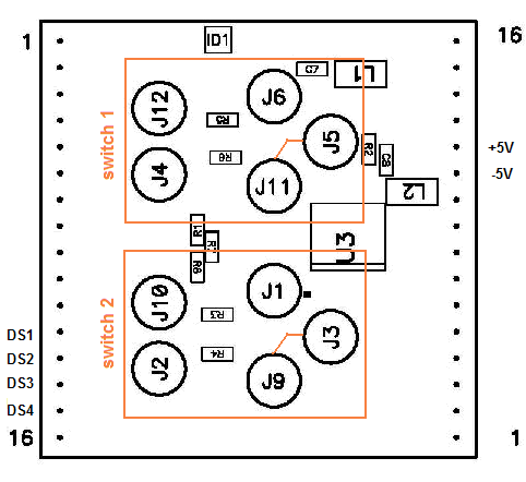
Pin Out:

Pin#
Function
DS1
DS2
DS3
DS4
Connector Type
P2:12
+5V
Header Pin
P2:11
-5V
Header Pin
P1:12
DS1
Header Pin
P1:13
DS2
Header Pin
P1:14
DS3
Header Pin
P1:15
DS4
Header Pin
P1:16
Grnd
Header Pin
J1
SW2 NO
X
X
0
1
MCX Female
J2
SW2 NO
X
X
0
0
MCX Female
J3
SW2 Common
MCX Female
J4
SW1 NO
0
0
X
X
MCX Female
J5
SW1 Common
MCX Female
J6
SW1 NO
0
1
X
X
MCX Female
J9
SW2 NC
X
X
1
0
MCX Female
J10
SW2 NO
X
X
1
1
MCX Female
J11
SW1 NC
1
0
X
X
MCX Female
J12
SW1 NO
1
1
X
X
MCX Female

Coding Requirements:


Fixture Carrier 2AC1
Position#
Fixture Carrier 4VA1
Position#
Fixture Carrier
65A1
Position#
Smart Carrier
Module#
Switch Code
Prefix
M1
M1
M1
M1
(S1)
M2
M2
M2
M2
(S2)
M3
M3
M3
M3
(S3)
M4
M4
M4
M4
(S4)
M13
M5
M5
M5
(S5)
M14
M6
M6
M6
(S6)
M15
M7
M7
M7
(S7)
M16
M8
M8
M8
(S8)
M9
M9
(S9)
MA
MA
(SA)

Fixture requirements:
1. Smart Carrier (RIK0014A or RIK0084A).
2. Press in connector strips ( 16 pin ) installed at desired module locations ( M1 - M16 ).
3. Bench Top DC Voltage Requirements: +5V

Cbits Programming:

1. When writing to the Smart Carrier module control the format is of S#XXXX
    • S = S, # = Module number being written to (located at M# on the carrier board)
    • Bit position = S# DS1 DS2 DS3 DS4
    (the values for DS1,2,3,4 are in the 'Pin Out' table above which control the switch position)

Examples:
      • S310XX = routing signal out J11 (Switch1 normally closed) at module location 3.
      • S300XX = routing signal out J4 (Switch1 normally open) at module location 3.
      • S301XX = routing signal out J6 (Switch1 normally open) at module location 3.
      • S311XX = routing signal out J12 (Switch1 normally open) at module location 3.
      • S3XX10 = routing signal out J9 (Switch2 normally closed) at module location 3.
      • S3XX01 = routing signal out J1 (Switch2 normally open) at module location 3.
      • S3XX00 = routing signal out J2 (Switch2 normally open) at module location 3.
      • S3XX11 = routing signal out J10 (Switch2 normally open) at module location 3.


Electrical Performance:

      Maximum Ratings
      Bias Voltage Range -7.0 Vdc
      Control Voltage Range Vee -0.5V to +1V Vdc
      Maximum Input Power
      Vdd = +5 Vdc
      +24dBm

Note:
DC decoupling caps should be provided on the DIB to prevent DUT voltages from reaching this switch.

      Chip Electrical Specifications
      Parameter
      Frequency
      Min.
      Typ.
      Max.
      Units
      Vee
      -5
      V
      Iee @ -5.0Vdc
      3.0
      6.0
      mA
      TTL/CMOS Control
      Low 0 to -3.0Vdc
      High -4.2 to -5.0 Vdc
      60
      5
      uA
      uA
      Minimum Frequency (3dB BW)
      DC
      Insertion Loss
      DC-2GHz
      DC-6GHz
      DC-8GHz
      1.6
      1.8
      2.1
      dB
      dB
      dB
      Isolation
      DC-2GHz
      DC-4GHz
      DC-6GHz
      DC-8GHz
      49
      41
      40
      36
      dB
      dB
      dB
      dB
      Return Loss (Common)
      DC-2GHz
      DC-4GHz
      DC-6GHz
      DC-8GHz
      12
      9
      8
      5
      15
      12
      11
      8
      dB
      dB
      dB
      dB
      1dB Commpression
      DC-8GHz
      21
      dBm
      IIP3 +7dBm each tone
      DC-8GHz
      40
      dBm
      Switching
      tRISE, tFALL (10%/90% RF)
      tON, tOFF (505 CTL to 10%/90% RF)
      DC-8GHz
      35
      150
      nS
      nS
Module Swept Data:





RIK0056B-SP4T.pdf

Published: 05/26/2005 02:28:20 PM Modified: 07/24/2012 02:23:47 PM
Print Email Link
https://roos.com/docs/DFES-6CRT78
Roos Instruments CONFIDENTIAL AND PROPRIETARY
©2005-2012 Roos Instruments, Inc. All rights reserved.